Для соединения труб и дополнительного оборудования используется множество приспособлений — гайки, фитинги и прочее. Одним из самых надёжных и проверенных способов является применение резьбовых фланцев, изготовленных по ГОСТ 9399-81
Фланцы резьбовые ГОСТ 9399-81 - фото - 2

Фланцы резьбовые ГОСТ 9399-81

Для соединения труб и дополнительного оборудования используется множество приспособлений — гайки, фитинги и прочее. Одним из самых надёжных и проверенных способов является применение резьбовых фланцев, изготовленных по ГОСТ 9399-81

Резьбовые фланцы могут изготавливаться с помощью разных технологий, но самыми распространёнными и эффективными являются:

  • Центробежное литьё. В этом случае расплавленный метал вливается в специальные формы, а после полного застывания материала, заготовка обрабатывается на станке. Это менее трудоёмкий и затратный способ, поэтому фланцы, изготовленные при помощи литья, получаются недорогими. Однако есть у метода существенный недостаток — в силу особенностей технологии готовые соединительные приспособления могут содержать воздушные камеры. Подобный дефект часто становится причиной поломки изделия.
  • Штамповка. Способ подразумевает дополнительную ковку отлитых запчастей. В результате манипуляций удаётся создать крепкие фланцы, лишённые воздушных камер. Такие разновидности отличаются высокой надёжностью, однако стоят дороже, чем литые.

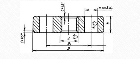
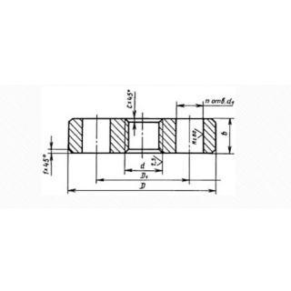
Фланцы резьбовые ГОСТ 9399-81 — круглая плоская деталь, на внутреннюю часть которой нанесена резьба. По внешнему радиусу детали располагаются отверстия для болтов, шпилек и прочих аналогичных приспособлений.

Сфера применения

Фланцы стальные резьбовые ГОСТ 9399-81 широко используются в следующих областях:

  • нефтехимии и сфере переработки нефтепродуктов;
  • пищевой промышленности;
  • химическом производстве;
  • автомобилестроении;
  • коммунальной сфере.

Изделия особенно востребованы в магистралях с большим диапазоном давлений, эксплуатируемых в суровых условиях, обусловленных сильными перепадами температур.

Таблица 1 — Фланец резьбовой ГОСТ 9399-81

Таблица размеров 1 - Фланец резьбовой ГОСТ 9399-81

Таблица 2 — Фланец резьбовой ГОСТ 9399-81

Таблица размеров 2 - Фланец резьбовой ГОСТ 9399-81

Таблица 3 — Фланец резьбовой ГОСТ 9399-81

Таблица размеров 3 - Фланец резьбовой ГОСТ 9399-81

Для производства изделий используется несколько марок стали:

  • 20, 20ЮЧ;
  • 09Г2С;
  • 13ХФА;
  • 15Х5М;
  • 12Х18Н10Т;
  • 10Х17Н13М2Т.

Соединительные элементы, изготовленные с соблюдением технологий и требований ГОСТ 9399-81, должны отвечать следующим параметрам:

  • Ду, мм: от 6 до 200;
  • Ру, МПа: от 20 до 100;
  • Температура среды, оС: от −40 до +510

Санкт-Петербургский завод крепежных изделий предлагает купить резьбовые фланцы ГОСТ ГОСТ 9399-81, выбрав подходящий размер изделия в таблице, или заказать детали по индивидуальному чертежу.

Изготовление

Резьбовые фланцы могут изготавливаться с помощью разных технологий, но самыми распространёнными и эффективными являются:

  • Центробежное литьё. В этом случае расплавленный метал вливается в специальные формы, а после полного застывания материала, заготовка обрабатывается на станке. Это менее трудоёмкий и затратный способ, поэтому фланцы, изготовленные при помощи литья, получаются недорогими. Однако есть у метода существенный недостаток — в силу особенностей технологии готовые соединительные приспособления могут содержать воздушные камеры. Подобный дефект часто становится причиной поломки изделия.
  • Штамповка. Способ подразумевает дополнительную ковку отлитых запчастей. В результате манипуляций удаётся создать крепкие фланцы, лишённые воздушных камер. Такие разновидности отличаются высокой надёжностью, однако стоят дороже, чем литые.
Назначение и варианты исполнения

Фланцы резьбовые ГОСТ 9399-81 — круглая плоская деталь, на внутреннюю часть которой нанесена резьба. По внешнему радиусу детали располагаются отверстия для болтов, шпилек и прочих аналогичных приспособлений.

Сфера применения

Фланцы стальные резьбовые ГОСТ 9399-81 широко используются в следующих областях:

  • нефтехимии и сфере переработки нефтепродуктов;
  • пищевой промышленности;
  • химическом производстве;
  • автомобилестроении;
  • коммунальной сфере.

Изделия особенно востребованы в магистралях с большим диапазоном давлений, эксплуатируемых в суровых условиях, обусловленных сильными перепадами температур.

Технические характеристики

Таблица 1 — Фланец резьбовой ГОСТ 9399-81

Таблица размеров 1 - Фланец резьбовой ГОСТ 9399-81

Таблица 2 — Фланец резьбовой ГОСТ 9399-81

Таблица размеров 2 - Фланец резьбовой ГОСТ 9399-81

Таблица 3 — Фланец резьбовой ГОСТ 9399-81

Таблица размеров 3 - Фланец резьбовой ГОСТ 9399-81

Для производства изделий используется несколько марок стали:

  • 20, 20ЮЧ;
  • 09Г2С;
  • 13ХФА;
  • 15Х5М;
  • 12Х18Н10Т;
  • 10Х17Н13М2Т.

Соединительные элементы, изготовленные с соблюдением технологий и требований ГОСТ 9399-81, должны отвечать следующим параметрам:

  • Ду, мм: от 6 до 200;
  • Ру, МПа: от 20 до 100;
  • Температура среды, оС: от −40 до +510

Санкт-Петербургский завод крепежных изделий предлагает купить резьбовые фланцы ГОСТ ГОСТ 9399-81, выбрав подходящий размер изделия в таблице, или заказать детали по индивидуальному чертежу.

Санкт-Петербургский Завод крепежных изделий © 2025г. Все права защищены
Адрес
СПб, г. Колпино, б-р Трудящихся, дом 2, лит. А., пом. 13-Н, офис 1
Яндекс.Метрика