- Главная
- Каталог
- Крепеж
- Болты
- Болты для фланцевых соединений
- Болты с шестигранной головкой для фланцевых соединений 26-2037-96
Болты с шестигранной головкой для фланцевых соединений 26-2037-96
-
Технические характеристики
Болты ОСТ 26-2037-96: особенности
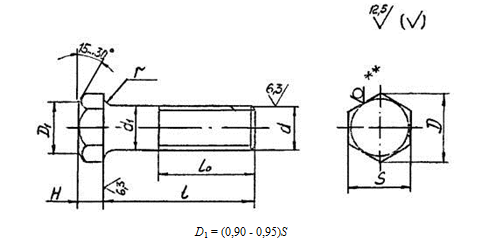
Крепежный элемент выполнен с метрической резьбой. Шаг зависит от номинального диаметра и составляет от 1 до 5 мм. Головка характеризуется размером под ключ в диапазоне 10-75 мм, а ее радиус — 18-139 мм. Допускается выполнение отверстий с диаметром 1,6-8 мм.
Технология устанавливается изготовителем, заготовки и готовые болты подвергают термической обработке. Метизы производятся с защитными покрытиями или без них. Это нужно для повышения работоспособности и прочности. В зависимости от типа стали применяется покрытие цинком, фосфатное, медное, никелевое. Болты маркируются, а сама партия сопровождается документом.
Заказать качественные болты ОСТ 26-2037-96 можно в компании «СПбЗКИ». На сайте представлено описание с чертежами, таблицами. Информация поможет определиться с нужным элементом. При возникновении вопросов во время оформления звоните по телефонам или отправьте онлайн форму.
Болты ОСТ 26-2037-96: особенности
Крепежный элемент выполнен с метрической резьбой. Шаг зависит от номинального диаметра и составляет от 1 до 5 мм. Головка характеризуется размером под ключ в диапазоне 10-75 мм, а ее радиус — 18-139 мм. Допускается выполнение отверстий с диаметром 1,6-8 мм.
Технология устанавливается изготовителем, заготовки и готовые болты подвергают термической обработке. Метизы производятся с защитными покрытиями или без них. Это нужно для повышения работоспособности и прочности. В зависимости от типа стали применяется покрытие цинком, фосфатное, медное, никелевое. Болты маркируются, а сама партия сопровождается документом.
Заказать качественные болты ОСТ 26-2037-96 можно в компании «СПбЗКИ». На сайте представлено описание с чертежами, таблицами. Информация поможет определиться с нужным элементом. При возникновении вопросов во время оформления звоните по телефонам или отправьте онлайн форму.




