- Главная
- Каталог
- Крепеж
- Гайки
- Гайки шестигранные
- Гайка шестигранная с уменьшенным размером "под ключ", повышенной точности ГОСТ 10608-72
Гайка шестигранная с уменьшенным размером "под ключ", повышенной точности ГОСТ 10608-72
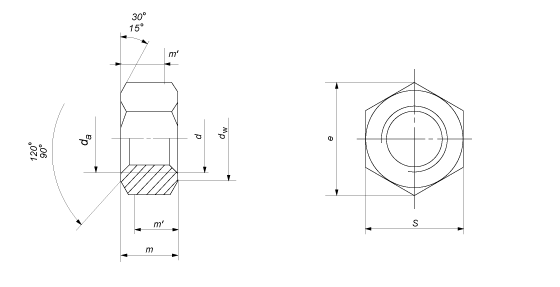
Гайки шестигранные с уменьшенным размером "под ключ", повышенной точности ГОСТ 10608-72 с диаметром резьбы свыше 48 мм.
Класс точности: В.
Поле допуска резьбы: 6H.
Марка стали: 3, 20, 35, 45, 40Х, 09Г2С, 12Х13.
Класс прочности: 4; 5; 6; 8; 10; 12.
Аналог ГОСТ: ГОСТ 10605-94
Класс точности: В.
Поле допуска резьбы: 6H.
Марка стали: 3, 20, 35, 45, 40Х, 09Г2С, 12Х13.
Класс прочности: 4; 5; 6; 8; 10; 12.
Аналог ГОСТ: ГОСТ 10605-94




