- Главная
- Каталог
- Крепеж
- Гайки
- Гайки круглые шлицевые
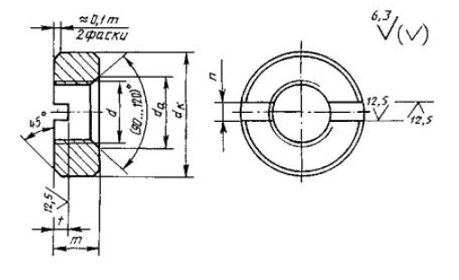
- Гайка круглая шлицевая, класс точности А ГОСТ 11871-88
Гайка круглая шлицевая, класс точности А ГОСТ 11871-88
Гайка круглая шлицевая, класс точности А ГОСТ 11871-88.
Класс точности: А.
Поле допуска резьбы: 6H.
Марка стали: 35.
Класс точности: А.
Поле допуска резьбы: 6H.
Марка стали: 35.




