- Главная
- Каталог
- Крепеж
- Болты откидные
- Болты откидные ГОСТ 14724-69
Болты откидные ГОСТ 14724-69
-
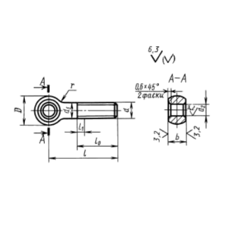
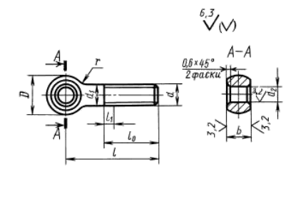
Технические характеристики
Болт ГОСТ 14724-69: особенности
Крепежный элемент характеризуется подвижной верхней частью. Она включает подвижный шарнир. Для его производства применяют сталь 45 или приближенные по характеристикам другие марки. Согласно требованиям твердость допускается в пределах 33-38 единиц. Болт ГОСТ 14724-69 представлен номинальным диаметром в диапазоне М5-М24. По цилиндрической части нарезана метрическая резьба с полем допуска 6g.
Могут изготавливаться в нескольких вариантах, в зависимости от пожеланий: с круглой головкой или в виде вилки, с круглой верхней частью и отверстием. Есть возможность повысить класс точности, нанести антикоррозионное покрытие или подвергнуть термообработке.
Для постоянного использования крепежа, он должен быть высокой прочности. Такими являются автоклавные, которые требуют определенных характеристик опорной поверхности (наличие специального углубления).
Заказать болт ГОСТ 14724-69 можно на сайте предприятия «СПбЗКИ». Продукция поставляется мелким, крупным оптом по доступным ценам.
Болт ГОСТ 14724-69: особенности
Крепежный элемент характеризуется подвижной верхней частью. Она включает подвижный шарнир. Для его производства применяют сталь 45 или приближенные по характеристикам другие марки. Согласно требованиям твердость допускается в пределах 33-38 единиц. Болт ГОСТ 14724-69 представлен номинальным диаметром в диапазоне М5-М24. По цилиндрической части нарезана метрическая резьба с полем допуска 6g.
Могут изготавливаться в нескольких вариантах, в зависимости от пожеланий: с круглой головкой или в виде вилки, с круглой верхней частью и отверстием. Есть возможность повысить класс точности, нанести антикоррозионное покрытие или подвергнуть термообработке.
Для постоянного использования крепежа, он должен быть высокой прочности. Такими являются автоклавные, которые требуют определенных характеристик опорной поверхности (наличие специального углубления).
Заказать болт ГОСТ 14724-69 можно на сайте предприятия «СПбЗКИ». Продукция поставляется мелким, крупным оптом по доступным ценам.




